
N.C.
D
C
A
B
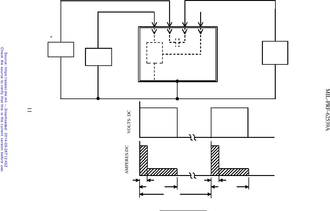
28 V DC
SOURCE
LOAD
CONTROL
SIGNAL
11668620
MODULE UNDER TEST
26
CONTROL SIGNAL
0
100
80
LOAD CHARACTERISTIC
60
40
20
0
REPETITIVE 5 s CYCLES
0
70 ms
70 ms
70 ms100A IN RUSH EACH
350 ms
350 ms
280 ms 20A HOLD
CYCLE
2.5 s
FIGURE 2. Endurance (level B).
For Parts Inquires call Parts Hangar, Inc (727) 493-0744
© Copyright 2015 Integrated Publishing, Inc.
A Service Disabled Veteran Owned Small Business